La empresa Jiangsu Feixiang Pump Manufacturing Co., Ltd. fue fundada en la década de 1980. En 2001, se estableció oficialmente según la Ley de Empresas de China. La empresa integra la investigación científica, el diseño, la producción, la operación y el servicio, y su naturaleza corporativa es una responsabilidad limitada. Actualmente, es una fábrica miembro de la red de recursos materiales confiables del Grupo Sinopec, una fábrica miembro satisfactoria de la red de suministros y accesorios de refinación de la Corporación Nacional del Petróleo de China, una empresa clave en la zona intensiva en alta tecnología de la provincia de Jiangsu, una empresa que cumple con los contratos y mantiene sus promesas, miembro de la Asociación General de la Industria de Bombas Mecánicas de China y una empresa de importación y exportación operada por sí misma de la República Popular de China.
La empresa cuenta con cinco talleres que incluyen fundición, mecanizado, prensado de bombas de fluoroplástico, ensamblaje final y embalaje de pintura, y cinco departamentos funcionales de una sola sala que incluyen ventas, tecnología, producción, inspección de calidad, finanzas y oficina integral. Actualmente cuenta con 256 empleados, incluidos 5 ingenieros superiores, 28 ingenieros, 136 técnicos y 66 directivos de diversos tipos. La empresa tiene una superficie de 38.000 m2 y cuenta con activos fijos por valor de 18 millones de yuanes. La empresa cuenta con equipos de producción completos, pruebas físicas y químicas y equipos de prueba, y cuenta con un centro de pruebas de rendimiento de bombas de agua de alta calidad (rango de medición de caudal: 0,5-20000 m3/h, altura: 2-2900 m). Los principales productos se producen utilizando estándares internacionales y estándares extranjeros avanzados.
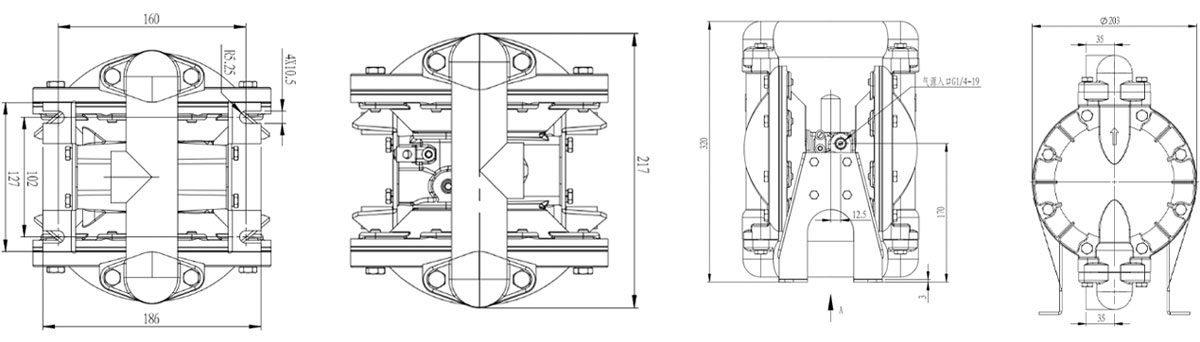
Los materiales principales del producto son 304, 304L, 316, 316L, CD4MCu, 904L, Mo3Ti, aleación 20#, titanio puro TA2, TA3, aleación de titanio-palidado TA9, Hastelloy, aleación de fluoroplástico F46, UHMWPE, revestimiento de acero, caucho resistente a la corrosión y al desgaste, entre otros.
Los materiales principales del producto son 304, 304L, 316, 316L, CD4MCu, 904L, Mo3Ti, aleación 20#, titanio puro TA2, TA3, aleación de titanio y paladio TA9, Hastelloy, aleación fluoroplástica F46, UHMWPE, revestimiento de acero, resistente a la corrosión. y espera de goma resistente al desgaste.
Los productos de Feixiang se venden bien en todo el país y se utilizan ampliamente en las industrias del petróleo, petroquímica, química, metalurgia, energía eléctrica, minería, medicina, industria ligera, alimentación, fabricación de automóviles, fabricación de papel, protección del medio ambiente y otras. Entre ellos, la bomba ciclónica no obstruible tipo FXLB, la bomba de ácido diluido tipo FIEC, la bomba de mortero tipo FIU, la bomba de succión doble para urea fundida tipo JFRB, la bomba química de titanio y níquel tipo IJT, la bomba de chorro rotativo tipo FXP y otros productos se utilizan ampliamente en las industrias del petróleo, petroquímica, química, energía eléctrica, metalurgia, fertilizantes, entre otras, para reemplazar productos importados, y son muy apreciados por la mayoría de los usuarios.

es
English
русский



























